一、批量添加网络标签
可以选择浮动工具中的N,单独为引脚添加网络标签。
当芯片引脚非常多的时候,选中芯片,右键选择扇出网络标签/非连接标识

按住ctrl键即可选中多个引脚

点击将引脚名称填入网络名

就完成了引脚标签的批量添加 
二、电源引脚
VDD表示数字电源的供电引脚,VSS表示数字电源的接地引脚

这个VCC+3.3V就是数字电源的供电引脚

将这些引脚连接即可

将这些引脚接数字地

出于工作稳定的需要,在电源供电引脚加入滤波电容,5个引脚所以加5个电容

三、其他引脚
-
VBAT电池引脚,由原理图可以看出,连接了1.8-3.6v的电池,内部连接了RTC时钟,当单片机断电时,继续为RTC时钟供电,保证RTC时钟的计时功能。

-
巧妙的供电设计
当有外部电源供电时,不适用纽扣电池供电
这个电路的原理是,当外部电源供3.3v的电压时,上面的二极管先导通,因为纽扣电池达不到3.3v,然后下面的二极管将无法导通。
同样需要加100nf的滤波电容
-
高速外部晶振输入输出引脚

-
NRST单片机的复位引脚

-
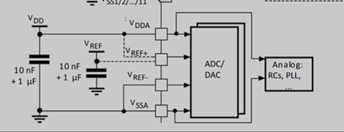
单片机和ADC,DAC相关引脚

-
将模拟地与VSSA和Vref-连接

-
Vref+为电压基准,取值范围为2.4-3.3v

它有两种接法,一种是固定输出,一种是产生分配电阻值产生任意输出电压
下面采用产生固定2.5v的电压。
需要加滤波电容,电容值的选取与电路稳定有关,根据下面的曲线,选取10uf电容
焊接时不焊这个电容依然可以稳定工作。
-
VDDA接模拟电源
-
BOOT0配置单片机启动模式

-
boot1引脚
将PB2用短接标识符连接表示BOOT1和PB2共有一个引脚
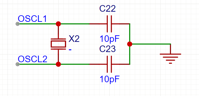
四、晶振电路
这个单片机有两组晶振,一个是低速晶振,一个是高速晶振
1.高速晶振
根据数据手册,可以看到需要两个起振电容为5-25pf,这里选择20pf,
1,3引脚连接电容,2,4引脚接地

2.低速晶振


这个晶振的起振电容在5-15pf,这里选择10pf

五、复位电路

包括手动复位和上电复位
手动复位当按键按下时,rst引脚接地,进行复位
上电复位,接入3.3v电源时,由于电容不能突变,所以rst阴间会保持短暂的低电平,过了一段时间,会大于0.7v,使得单片机正常工作。
六、BOOT引脚
通过配置BOOT引脚的高低电平,就可以设置单片机的启动模式

通过跳线帽短接13或35引脚,24或46引脚即可实现高低电平的切换
七、引脚接口


八、整体布局





















