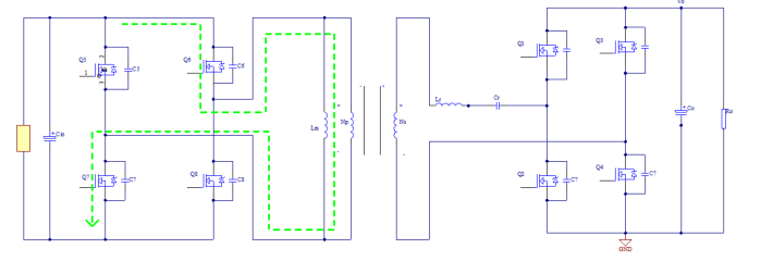
在t0时刻之前,Q6Q7导通,回路如下所示,此时A点电压是低压,B点电压是高压


在t0时刻时,谐振电流相位发生变换,在t1时刻,Q5,Q8导通,对于Q8MOS管来说,B点电压在Q6Q7导通时是高压,Q5,Q8导通后瞬间被拉成低压,流经Q8MOS管的电流共有四个
- C8电容会被强行放电,放电电流回路为绿色
- C6电容会被强行充电,充电电流回路为红色
- Q8MOS管本身谐振电流为蓝色
- 当B点电压从高压强行被拉成低压时,Q6MOS管的体二极管强行截止,反向恢复电流为紫色
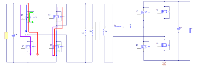
在t1时刻,Q8MOS管的电流应力太大,同理在t1时刻,Q5,Q8导通,对于Q5MOS管来说,A点的电压在Q6Q7导通时是低压,Q5,Q8导通后瞬间被拉成高压,流经Q5MOS管的电流共有四个
- C5电容会被强行被放电,放电电流回路为绿色经过Q5MOS管,
- C7电容会强行被充电,放电电流回路为红色,经过Q5MOS管,
- Q5MOS管本身谐振电流为蓝色,
- 当A点电压从低压强行被拉成高压时,Q7MOS管的体二极管强行截止,反向恢复电流为紫色,
同样在t1时刻Q5MOA管的电流应力也非常大,t1导通时,Q5和Q8电流应力图如下图所示

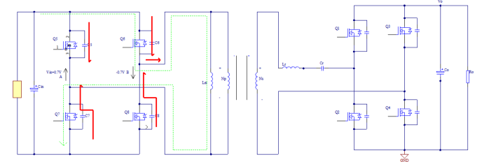
当电路工作在感性区时,电压和电流相位如下图所示。其中t0-t1是死区时间。

在t0-t1时间内,Q6、Q7关断,Q5、Q8未导通,此时电流依然是正方向,但四个MOS管都不通,所以电流流经Q6MOS管和Q8MOS管的结电容C6和C8,在t0之前,Q6Q7导通,B点电位为Vin,C6压差小,C8压差大,在t0-t1时刻内,C6电容被迫充电(电流为红色),C8电容被迫放电(电流为红色),B点点位快速下降到-0.7V,此时电流从Q8和Q6的体二极管导通,C8和C6电容电压被钳位不再有电流流过,此时给如果给Q8MOS管一个驱动信号,Q8MOS管的DS压差只有0.7V,就可以实现ZVS零电压开通。同理,在死区时间t0-t1时间内,谐振腔电流还是正电流,电流通路只流经Q5MOS管和Q7MOS管的结电容C5和C7,在t0之前,Q6Q7导通,A点电位为0V,C5压差大,C7压差为0V,死区时间内,C5电容被迫放电(电流为红色),C7电容被迫充电(电流为红色),A点电位迅速上升至Vin+0.7V,此时电流从Q5和Q7的体二极管导通(电流为蓝色),C5和C7电容电压被钳位,此时Q5MOS管的DS压差为0.7V,然后给Q5MOS管一个驱动信号,Q5MOS管就可以实现ZVS零电压导通。可以看出在Q5和Q8导通时,两个MOS管没有结电容C5和C8的充放电电流和Q7、Q6体二极管的反向恢复电流,所以电路工作在感性区没有较大的电流应力。
但是,如果在D点进行MOS管的切换,可以看出谐振电流较大,关断损耗较大,如果电路工作在偏感性一点点时候,可以看出关断电流近似为0,可以让MOS管接近ZCS零电流关断,这样关断损耗大大降低




















