电子技术——共栅(共基)放大器

在本节我们学习IC中共栅(共基)放大器的配置,虽然我们之前在分立电路中学习过共栅(共基)放大器的配置。但是在IC中共栅(共基)放大器主要作为电流缓冲器来使用,这正是本节要学习的内容。
CG放大器
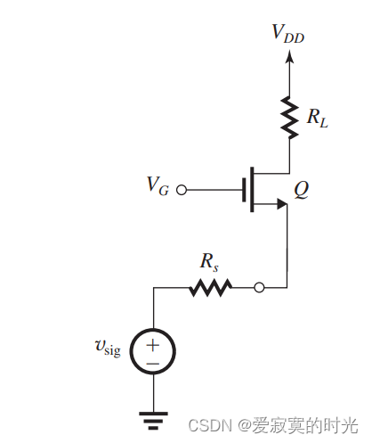
下图是CG放大器的原理图,输入信号源 $v_{sig} 带有内阻 R s R_s Rs :

负载电阻为
R
L
R_L
RL 在IC中通常使用恒流源主动负载代替。
为了说明CG放大器的信号特性,我们将DC置零得到下面的电路:

观察到栅极电流为零,因此CG放大器的漏极和源极电流相等,这是电流缓冲器的第一个条件。
接下来我们探究CG放大器的整体输入阻抗,我们使用等效的T模型,如图:

我们在CG的输入端放置了测试电压源
v
x
v_x
vx ,则整体输入阻抗定义为:
R i n ≡ v x i x R_{in} \equiv \frac{v_x}{i_x} Rin≡ixvx
首先流过 r o r_o ro 的电流为 i x + g m v g s i_x + g_mv_{gs} ix+gmvgs 其次流过 R L R_L RL 的电流为 i x i_x ix 根据基尔霍夫电压法我们能够得出:
v x = ( i x + g m v g s ) r o + i x R L v_x = (i_x+g_mv_{gs})r_o + i_x R_L vx=(ix+gmvgs)ro+ixRL
又因为 v g s = − v x v_{gs} = -v_x vgs=−vx 带入我们得到输入阻抗:
R i n = r o + R L 1 + g m r o R_{in} = \frac{r_o + R_L}{1 + g_mr_o} Rin=1+gmroro+RL
又因为 g m r o ≫ 1 g_mr_o \gg 1 gmro≫1 ,可以写为:
R i n ≃ 1 g m + R L g m r o R_{in} \simeq \frac{1}{g_m} + \frac{R_L}{g_mr_o} Rin≃gm1+gmroRL
这是一个有趣的结果。如果 r o r_o ro 是无穷大的,那么 R i n = 1 g m R_{in} = \frac{1}{g_m} Rin=gm1 这和我们在分立电路中的CG的输入阻抗是一致的。如果 r o r_o ro 不能忽略,例如在IC电路中,则 R i n R_in Rin 和 R L R_L RL 的关系为 R L R_L RL 除以 g m r o g_mr_o gmro ,也就是说,即使接入的负载是较大的阻值,其输入阻抗也能保持在一个较低的水平,这个电阻的传导特性对于电流缓冲器来说十分重要。
接下来考虑整体输出阻抗,此时我们在输出端接入测试电压源 v x v_x vx ,将输入信号源 v s i g v_{sig} vsig 置零,则整体输出阻抗定义为:
R
o
u
t
≡
v
x
i
x
R_{out} \equiv \frac{v_x}{i_x}
Rout≡ixvx

如图同样的分析方法得到:
v x = ( i x − g m v g s ) r o + i x R s v_x = (i_x - g_mv_{gs})r_o + i_x R_s vx=(ix−gmvgs)ro+ixRs
带入 v g s = − i x R s v_{gs} = -i_x R_s vgs=−ixRs ,则:
R o u t = r o + R s + g m r o R s = r o + ( 1 + g m r o ) R s R_{out} = r_o + R_s + g_mr_oR_s = r_o + (1 + g_mr_o)R_s Rout=ro+Rs+gmroRs=ro+(1+gmro)Rs
因为 g m r o ≫ 1 g_mr_o \gg 1 gmro≫1 可以近似写成:
R o u t ≃ r o + ( g m r o ) R s R_{out} \simeq r_o + (g_mr_o) R_s Rout≃ro+(gmro)Rs
并且如果 ( g m r o ) R s ≫ r o (g_mr_o) R_s \gg r_o (gmro)Rs≫ro 那么:
R o u t ≃ g m r o R s R_{out} \simeq g_mr_oR_s Rout≃gmroRs
我们发现,CG放大器将输出阻抗由原来的 R s R_s Rs 放大了 A 0 = g m r o A_0 = g_mr_o A0=gmro 倍,这个电阻的传导特性对于电流缓冲器来说十分重要。假如 R s R_s Rs 本身就很大,那么CG放大器的输出阻抗能够保持在一个极大的值的水平。
总结以下几点:
- CG放大器有单位电流增益。
- 一个极低的输入阻抗 R L g m r o \frac{R_L}{g_mr_o} gmroRL 。
- 一个极高的输出阻抗 R s ( g m r o ) R_s(g_mr_o) Rs(gmro) 。

正因为CG放大器有着上述的性质,CG放大器作为一个电流缓冲器是不二之选,因此承接上一节的末尾部分,我们可以将黑盒电路替换为CG放大器。
带源极电阻的CS放大器的输出阻抗
之前我们在MOS章节学过 带源极电阻的CS放大器的特性,源极电阻将放大器的传导系数变为了 g m / ( 1 + g m R s ) g_m/(1+g_mR_s) gm/(1+gmRs) 也就是除以了 ( 1 + g m R s ) (1+g_mR_s) (1+gmRs) 。同样的也提升了其他的相关参数,例如线性性质和带宽。现在,我们重点关注带源极电阻的CS放大器在IC中的输出阻抗。我们将信号源置地,我们发现此时的拓扑结构和CG放大器相同,也就是说:
R o = r o + R s + g m r o R s ≃ ( 1 + g m R s ) r o R_o = r_o + R_s + g_mr_oR_s \simeq (1 + g_mR_s)r_o Ro=ro+Rs+gmroRs≃(1+gmRs)ro
也就是说,源极电阻将CS放大器的输出阻抗变为了原来的 ( 1 + g m R s ) (1 + g_mR_s) (1+gmRs) 倍。

体效应
假设IC中的MOS中的体极没有连接到源极,那么体效应就会发挥作用。然而,分析体效应是相对简单的,只需要将体极看成是第二个栅极即可,如下图:

栅极电压 v g s v_{gs} vgs 为漏极贡献了电流 g m v g s g_mv_{gs} gmvgs ,体极电压 v b s v_{bs} vbs 为漏极贡献了电流 g m b v b s g_{mb}v_{bs} gmbvbs 。因此整个漏极电流为 g m v g s + g m b v b s g_mv_{gs} + g_{mb}v_{bs} gmvgs+gmbvbs 。这里 g m b = χ g m g_{mb} = \chi g_m gmb=χgm 。对于CG放大器来说 v b s = v g s v_{bs} = v_{gs} vbs=vgs 。因此漏极电流变为:
i d = g m ( 1 + χ ) v g s i_d = g_m(1 + \chi) v_{gs} id=gm(1+χ)vgs
也就是相当于互导系数从原来的 g m g_m gm 变为了 g m ( 1 + χ ) g_m(1 + \chi) gm(1+χ) 。

CB放大器
分析CB放大器和分析CG放大器因为基极电流的影响稍有不同。下图是一个CB放大器的原理图:

电阻
R
L
R_L
RL 是负载电阻,在IC中通常使用一个PNP恒流源主动负载代替。将DC置零得到信号模型:

注意到
α
≃
1
\alpha \simeq 1
α≃1 因此集电极电流和发射极电流几乎相等,CB电路可以作为电流缓冲器。
首先我们考虑整体输入阻抗,下图是我们的等效T模型,我们已经标注好各个支路上的电流:

与MOS同样的分析方法可以得到:
R i n = r o + R L 1 + r o r e + R L ( β + 1 ) r e R_{in} = \frac{r_o + R_L}{1 + \frac{r_o}{r_e} + \frac{R_L}{(\beta + 1)r_e}} Rin=1+rero+(β+1)reRLro+RL
因为 r o ≫ r e r_o \gg r_e ro≫re 我们得到近似结果:
R i n ≃ r e r o + R L r o + R L β + 1 R_{in} \simeq r_e \frac{r_o + R_L}{r_o + \frac{R_L}{\beta + 1}} Rin≃rero+β+1RLro+RL
注意到若 r o = ∞ r_o = \infty ro=∞ 则 R i n = r e R_{in} = r_e Rin=re 这个结果是我们在分立电路中得到的结果。同样的若 R L = 0 R_L = 0 RL=0 此时 R i n = r e R_{in} = r_e Rin=re 。 R i n R_{in} Rin 的值随 R L R_L RL 的增大而增大,存在最大值当 R L = ∞ R_L = \infty RL=∞ 的时候:
R i n ∣ m a x = ( β + 1 ) r e = r π R_{in}|_{max} = (\beta + 1)r_e = r_\pi Rin∣max=(β+1)re=rπ
此时CB放大器 的输出端开路。另外因为 R L β + 1 ≪ r o \frac{R_L}{\beta + 1} \ll r_o β+1RL≪ro 因此继续近似可以得到:
R i n ≃ r e + R L g m r o R_{in} \simeq r_e + \frac{R_L}{g_m r_o} Rin≃re+gmroRL
可以得到与MOSFET相似的结果。因此CB和CG相同,都能将输入阻抗保持在一个较低的水平。
接下来我们讨论整体输出阻抗,同样的T模型的分析方法:

得到:
R o u t = r o + ( R e ∣ ∣ r π ) + ( R e ∣ ∣ r π ) g m r o = r o + ( 1 + g m r o ) ( R e ∣ ∣ r π ) R_{out} = r_o + (R_e || r_\pi) + (R_e || r_\pi) g_m r_o = r_o + (1+g_mr_o)(R_e || r_\pi) Rout=ro+(Re∣∣rπ)+(Re∣∣rπ)gmro=ro+(1+gmro)(Re∣∣rπ)
也是和MOS的结果相似,只不过把 R s R_s Rs 换成了 ( R e ∣ ∣ r π ) (R_e || r_\pi) (Re∣∣rπ) ,因为 g m r o ≫ 1 g_mr_o \gg 1 gmro≫1 得到近似结果:
R o u t ≃ r o + ( g m r o ) ( R e ∣ ∣ r π ) R_{out} \simeq r_o + (g_mr_o)(R_e || r_\pi) Rout≃ro+(gmro)(Re∣∣rπ)
同样的和MOS一样,CB放大器也有将输出阻抗提升 ( g m r o ) (g_mr_o) (gmro) 倍的作用,只不过其存在理论最大值当 R e ∞ R_e \infty Re∞ 的时候:
R o u t ∣ m a x = r o + g m r o r π = ( β + 1 ) r o R_{out} |_{max} = r_o + g_mr_or_\pi = (\beta + 1)r_o Rout∣max=ro+gmrorπ=(β+1)ro
CB放大器具有单位的电流增益,较低的输入阻抗,较高的输出阻抗,因此CB放大器也可以作为电流缓冲器。

带发射极电阻的CE放大器的输出阻抗
和MOS一样,我们讨论带发射极电阻的CE放大器的输出阻抗,将信号源置地得到和CB一样的拓扑结构,因此:
R o ≃ r o + g m r o ( R e ∣ ∣ r π ) = [ g m ( R e ∣ ∣ r π ) + 1 ] r o R_o \simeq r_o + g_mr_o(R_e || r_\pi) = [g_m(R_e || r_\pi) + 1]r_o Ro≃ro+gmro(Re∣∣rπ)=[gm(Re∣∣rπ)+1]ro
发射极电阻将CE放大器的输出阻抗提升了 [ g m ( R e ∣ ∣ r π ) + 1 ] [g_m(R_e || r_\pi) + 1] [gm(Re∣∣rπ)+1] 倍。注意其存在最大值当 R e = ∞ R_e = \infty Re=∞ 的时候为 1 + g m r π 1+g_mr_\pi 1+gmrπ 也就是 ( β + 1 ) (\beta + 1) (β+1) ,此时集电极开路。




















