文章目录
- 一、DMA
- 1.1简介
- 1.2存储器映像
- 1.3DMA框图
- 1.4DMA基本结构
- 1.5DMA请求
- 1.6数据宽度与对齐
- 1.7数据转运+DMA
- 1.8ADC扫描模式+DMA
- 二、数据转运+DMA
- 2.1接线图
- 2.2代码
- 2.3相关API
一、DMA
1.1简介
-
DMA(Direct Memory Access)直接存储器存取
-
DMA可以提供外设和存储器或者存储器和存储器之间的高速数据传输,无须CPU干预,节省了CPU的资源
-
12个独立可配置的通道: DMA1(7个通道), DMA2(5个通道)每个通道都支持软件触发和特定的硬件触发
-
STM32F103C8T6 DMA资源:DMA1(7个通道)
1.2存储器映像

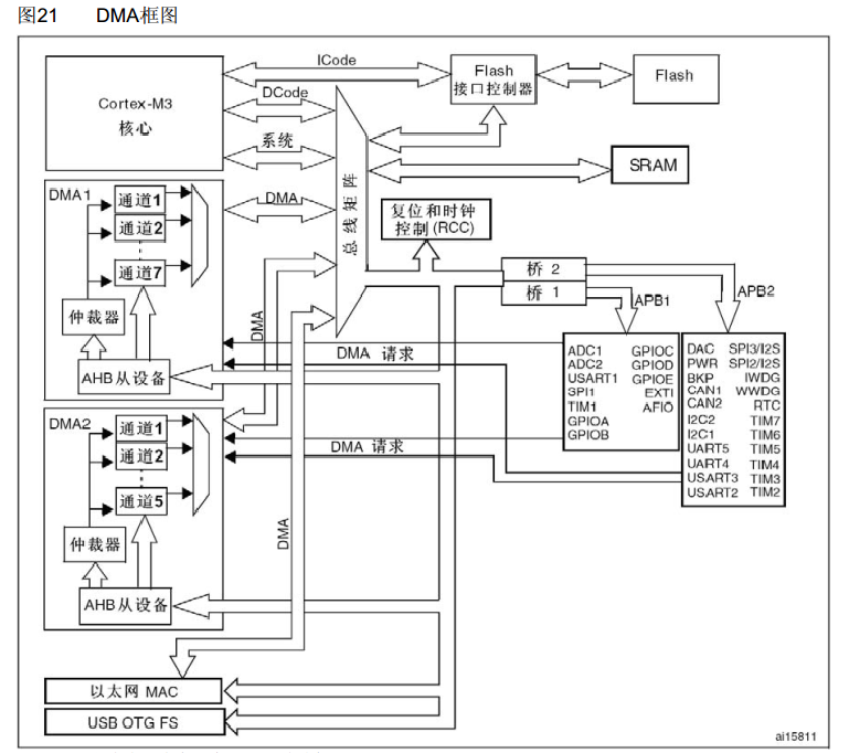
1.3DMA框图

1.4DMA基本结构

1.5DMA请求

1.6数据宽度与对齐

1.7数据转运+DMA

1.8ADC扫描模式+DMA

二、数据转运+DMA
2.1接线图

2.2代码
main.c
#include "stm32f10x.h" // Device header
#include "Delay.h"
#include "OLED.h"
#include "MyDMA.h"
uint8_t DataA[] = {0x01, 0x02, 0x03, 0x04}; //定义测试数组DataA,为数据源
uint8_t DataB[] = {0, 0, 0, 0}; //定义测试数组DataB,为数据目的地
int main(void)
{
/*模块初始化*/
OLED_Init(); //OLED初始化
MyDMA_Init((uint32_t)DataA, (uint32_t)DataB, 4); //DMA初始化,把源数组和目的数组的地址传入
/*显示静态字符串*/
OLED_ShowString(1, 1, "DataA");
OLED_ShowString(3, 1, "DataB");
/*显示数组的首地址*/
OLED_ShowHexNum(1, 8, (uint32_t)DataA, 8);
OLED_ShowHexNum(3, 8, (uint32_t)DataB, 8);
while (1)
{
DataA[0] ++; //变换测试数据
DataA[1] ++;
DataA[2] ++;
DataA[3] ++;
OLED_ShowHexNum(2, 1, DataA[0], 2); //显示数组DataA
OLED_ShowHexNum(2, 4, DataA[1], 2);
OLED_ShowHexNum(2, 7, DataA[2], 2);
OLED_ShowHexNum(2, 10, DataA[3], 2);
OLED_ShowHexNum(4, 1, DataB[0], 2); //显示数组DataB
OLED_ShowHexNum(4, 4, DataB[1], 2);
OLED_ShowHexNum(4, 7, DataB[2], 2);
OLED_ShowHexNum(4, 10, DataB[3], 2);
Delay_ms(1000); //延时1s,观察转运前的现象
MyDMA_Transfer(); //使用DMA转运数组,从DataA转运到DataB
OLED_ShowHexNum(2, 1, DataA[0], 2); //显示数组DataA
OLED_ShowHexNum(2, 4, DataA[1], 2);
OLED_ShowHexNum(2, 7, DataA[2], 2);
OLED_ShowHexNum(2, 10, DataA[3], 2);
OLED_ShowHexNum(4, 1, DataB[0], 2); //显示数组DataB
OLED_ShowHexNum(4, 4, DataB[1], 2);
OLED_ShowHexNum(4, 7, DataB[2], 2);
OLED_ShowHexNum(4, 10, DataB[3], 2);
Delay_ms(1000); //延时1s,观察转运后的现象
}
}
MyDMA.c
#include "stm32f10x.h" // Device header
uint16_t MyDMA_Size; //定义全局变量,用于记住Init函数的Size,供Transfer函数使用
/**
* 函 数:DMA初始化
* 参 数:AddrA 原数组的首地址
* 参 数:AddrB 目的数组的首地址
* 参 数:Size 转运的数据大小(转运次数)
* 返 回 值:无
*/
void MyDMA_Init(uint32_t AddrA, uint32_t AddrB, uint16_t Size)
{
MyDMA_Size = Size; //将Size写入到全局变量,记住参数Size
/*开启时钟*/
RCC_AHBPeriphClockCmd(RCC_AHBPeriph_DMA1, ENABLE); //开启DMA的时钟
/*DMA初始化*/
DMA_InitTypeDef DMA_InitStructure; //定义结构体变量
DMA_InitStructure.DMA_PeripheralBaseAddr = AddrA; //外设基地址,给定形参AddrA
DMA_InitStructure.DMA_PeripheralDataSize = DMA_PeripheralDataSize_Byte; //外设数据宽度,选择字节
DMA_InitStructure.DMA_PeripheralInc = DMA_PeripheralInc_Enable; //外设地址自增,选择使能
DMA_InitStructure.DMA_MemoryBaseAddr = AddrB; //存储器基地址,给定形参AddrB
DMA_InitStructure.DMA_MemoryDataSize = DMA_MemoryDataSize_Byte; //存储器数据宽度,选择字节
DMA_InitStructure.DMA_MemoryInc = DMA_MemoryInc_Enable; //存储器地址自增,选择使能
DMA_InitStructure.DMA_DIR = DMA_DIR_PeripheralSRC; //数据传输方向,选择由外设到存储器
DMA_InitStructure.DMA_BufferSize = Size; //转运的数据大小(转运次数)
DMA_InitStructure.DMA_Mode = DMA_Mode_Normal; //模式,选择正常模式
DMA_InitStructure.DMA_M2M = DMA_M2M_Enable; //存储器到存储器,选择使能
DMA_InitStructure.DMA_Priority = DMA_Priority_Medium; //优先级,选择中等
DMA_Init(DMA1_Channel1, &DMA_InitStructure); //将结构体变量交给DMA_Init,配置DMA1的通道1
/*DMA使能*/
DMA_Cmd(DMA1_Channel1, DISABLE); //这里先不给使能,初始化后不会立刻工作,等后续调用Transfer后,再开始
}
/**
* 函 数:启动DMA数据转运
* 参 数:无
* 返 回 值:无
*/
void MyDMA_Transfer(void)
{
DMA_Cmd(DMA1_Channel1, DISABLE); //DMA失能,在写入传输计数器之前,需要DMA暂停工作
DMA_SetCurrDataCounter(DMA1_Channel1, MyDMA_Size); //写入传输计数器,指定将要转运的次数
DMA_Cmd(DMA1_Channel1, ENABLE); //DMA使能,开始工作
while (DMA_GetFlagStatus(DMA1_FLAG_TC1) == RESET); //等待DMA工作完成
DMA_ClearFlag(DMA1_FLAG_TC1); //清除工作完成标志位
}
MyDMA.h
#ifndef __MYDMA_H
#define __MYDMA_H
void MyDMA_Init(uint32_t AddrA, uint32_t AddrB, uint16_t Size);
void MyDMA_Transfer(void);
#endif









![[ICLR 2022]How Much Can CLIP Benefit Vision-and-Language Tasks?](https://i-blog.csdnimg.cn/direct/75eed2dbee674f4198dbc4e274178c71.png)









