一、I.MX6U 时钟系统详解
1、系统时钟来源
开发板的系统时钟来源于两部分: 32.768KHz 和24MHz 的晶振,其中 32.768KHz 晶振是 I.MX6U 的 RTC 时钟源, 24MHz 晶振是 I.MX6U 内核和其它外设的时钟源。
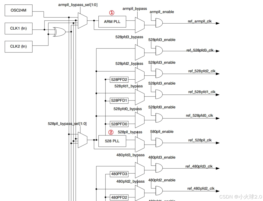
2、7路PLL时钟源
I.MX6U 的外设有很多,不同的外设时钟源不同, NXP 将这些外设的时钟源进行了分组,
一共有 7 组,这 7 组时钟源都是从 24MHz 晶振 PLL 而来的,因此也叫做 7 组 PLL,这 7 组 PLL
结构如图所示:


展示了 7 个 PLL 的关



















![C++Cherno 学习笔记day17 [66]-[70] 类型双关、联合体、虚析构函数、类型转换、条件与操作断点](https://i-blog.csdnimg.cn/direct/8c6724e47ffa4978affd9ff500a1507c.png)
