二选一工作器引入的Verilog语法
——XILINX 基于BASYS 3板
状态机、线性序列机、学习仿真
DDS:矩阵键盘、DAC,LCD/数码管,这些模块间的接口逻辑
常见的接口设计:SPI、IIC、UART
学习:三八译码器、计数器电灯、学习开发工具的使用
实现步骤:
写一套硬件描述语言,能够在指定的硬件平台上实现相应的功能。
1、设计定义
2、设计输入
3、分析综合(EDA、Quartus、Vivado)
4、功能仿真(Modelsim)
5、布局布线(Quartus、Vivado)
6、分析性能(时序仿真Modelsim,静态时序分析Quartus、Vivado)
7、板级调试
设计定义(让LED灯一秒闪烁一次)、设计输入(编写逻辑/使用Verilog代码描述逻辑/画逻辑图/使用IP)。
综合工具:由专业的EDA软件进行,Quartus、Vivado、ISE,对所写的逻辑描述内容进行分析,并得到逻辑门级别的电路内容。
- 验证功能:
 功能仿真(逻辑仿真):使用专门的仿真工具进行仿真,验证设计的逻辑功能能够实现、验证功能。
布局布线:在指定器件上将设计的逻辑电路实现。
- 设计性能、分析性能:
 1、时序仿真(非常耗费时间)
2、静态时序分析:让逻辑在目标板上正常工作(功能正常、性能稳定)。
下载到目标板上运行,查看运行结果(烧路)。ILA Signaltap II
- 对数字电路来说,仿真基本接近于真实情况,是可信的。
 
二选一工作器

源代码
`timescale 1ns / 1ps
module mux2(
    a,
    b,
    sel,
    out
    );
    input a;
    input b;
    input sel;
    output out;//定义端口
    assign out=(sel==1)?a:b;
endmodule
 
测试激励文件
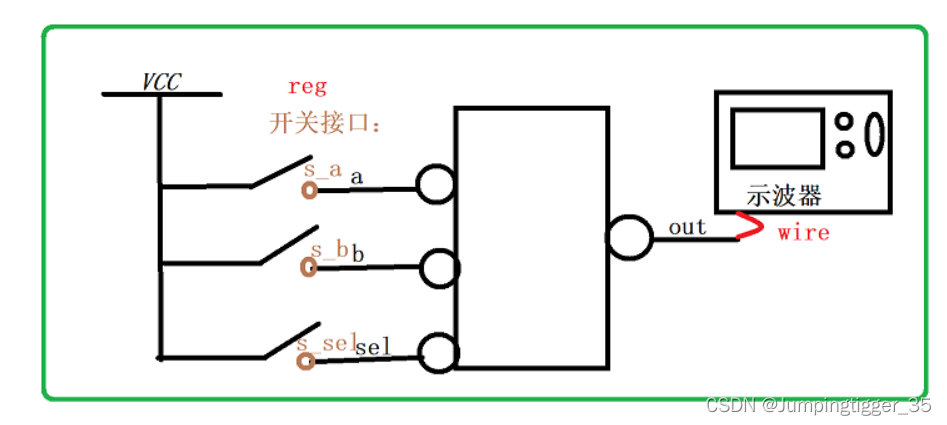
编写的原理图

激励信号的定义:
reg
module mux2_tb();
//定义存在的信号线
reg s_a;
reg s_b;
reg sel;
wire out;
//例化,标题可与例化名称一致(前者一致,后者随意)
mux2 mux2(
.a(s_a),//例化对应既可自己定义,也可用其原名
.b(s_b),
.sel(sel),
.out(out)
);
//初始化
initial begin
    s_a=0;s_b=0;sel=0;
    #200;
    s_a=0;s_b=0;sel=1;
    #200;
    s_a=0;s_b=1;sel=0;
    #200;
    s_a=0;s_b=1;sel=1;
    #200;
    s_a=1;s_b=0;sel=0;
    #200;
    s_a=1;s_b=0;sel=1;
    #200;
    s_a=1;s_b=1;sel=0;
    #200;
    s_a=1;s_b=1;sel=1;
    #200;
    //仿真时写
    $stop;//暂停
end
endmodule
 
功能仿真
对应真值表,进行检查

 
布局布线
分配管脚
set_property IOSTANDARD LVCMOS33 [get_ports a]
set_property IOSTANDARD LVCMOS33 [get_ports b]
set_property IOSTANDARD LVCMOS33 [get_ports out]
set_property IOSTANDARD LVCMOS33 [get_ports sel]
set_property PACKAGE_PIN V17 [get_ports a]
set_property PACKAGE_PIN V16 [get_ports b]
set_property PACKAGE_PIN W17 [get_ports sel]
set_property PACKAGE_PIN U16 [get_ports out]
 




















