目录
1.课题概述
2.系统仿真结果
3.核心程序与模型
4.系统原理简介
4.1 风力发电
4.2 风力发电
4.3 蓄电池原理
4.4 蓄电池对系统稳定性分析
5.完整工程文件
1.课题概述
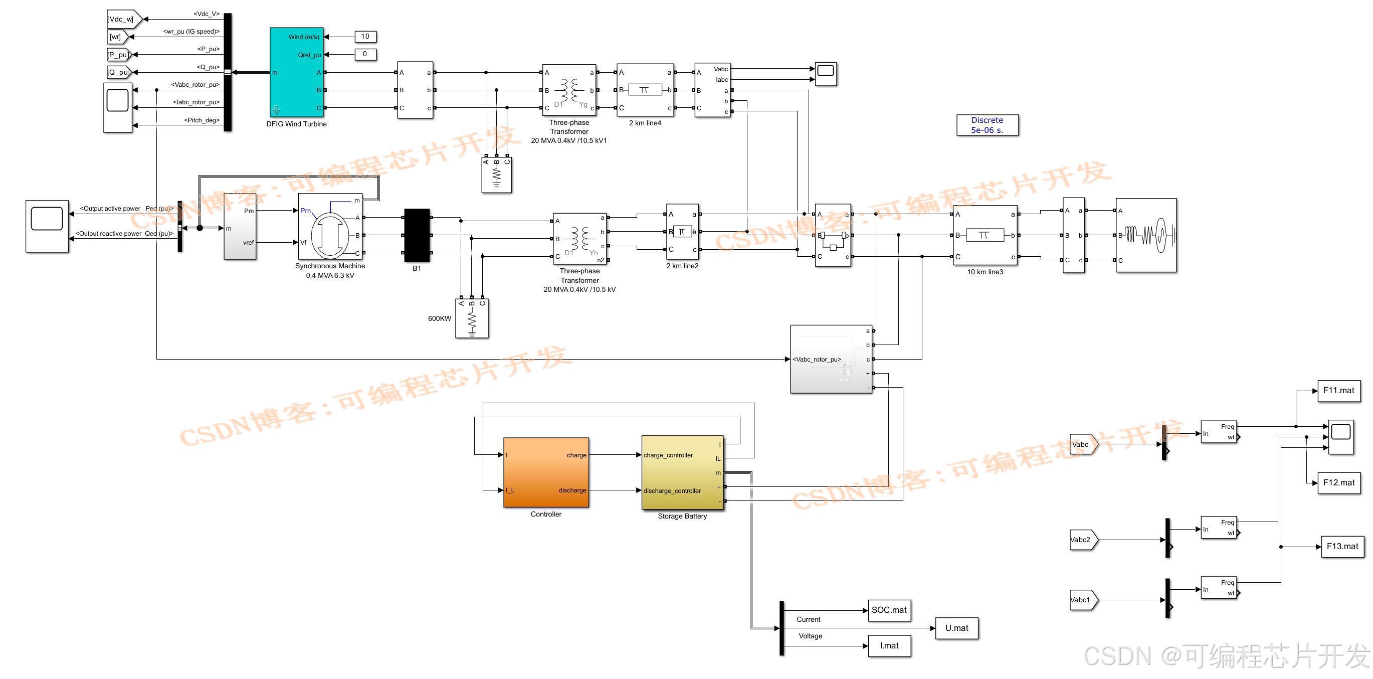
基于风力水力和蓄电池的低频率差联合发电系统simulink建模与仿真。模型包括风力发电模块,水利发电模块,蓄电池模块,电池充放电控制器,孤岛模拟模块。
2.系统仿真结果



3.核心程序与模型
版本:Matlab2024b

02_074m
4.系统原理简介
在全球对清洁能源需求不断增长的背景下,风力发电和水力发电作为重要的可再生能源发电方式,得到了广泛应用。然而,风力和水力发电都具有一定的间歇性和不稳定性,这给电力供应的稳定性带来了挑战。特别是在孤网运行状态下,频率波动问题尤为突出。为了解决这些问题,构建基于风力、水力和蓄电池的联合发电系统成为研究热点。通过联合运行以及合理配置电源容量,并引入蓄电池进行储能调节,能够有效降低系统频率差,提高电力供应的稳定性。
4.1 风力发电
风力发电是将风能转换为电能的过程。其核心设备是风力发电机,通常由风轮、发电机、塔筒等部分组成。风轮在风力作用下旋转,将风能转化为机械能,进而带动发电机发电。根据贝兹理论,风力发电机从风中获取的功率为:

4.2 风力发电
由于风速具有随机性和间歇性,风力发电的输出功率也会随之波动。风速的变化可能导致风力发电机输出功率在短时间内发生较大变化,这种波动性给电力系统的稳定运行带来了困难。例如,在强风骤起或风速突然减小时,风力发电机的输出功率会迅速上升或下降,可能引起系统频率和电压的波动。在孤网运行状态下,这种波动对系统稳定性的影响更为显著,因为孤网系统的惯性较小,难以缓冲功率的快速变化。
4.3 蓄电池原理
蓄电池是一种能够存储电能并在需要时释放电能的装置。在联合发电系统中,常用的蓄电池有铅酸蓄电池、锂离子蓄电池等。以锂离子蓄电池为例,其工作原理基于锂离子在正负极之间的嵌入和脱出。在充电过程中,锂离子从正极脱出,经过电解液嵌入负极;在放电过程中,锂离子从负极脱出,经过电解液回到正极,同时在外部电路中产生电流。
在联合发电系统中,当风力和水力发电正常运行且功率有盈余时,蓄电池进行充电;当出现孤网情况或发电功率不足时,蓄电池放电为主网供电,起到稳定系统功率和频率的作用。
4.4 蓄电池对系统稳定性分析
在孤网运行状态下,风力和水力发电的波动性会导致系统功率不平衡,进而引起频率波动。当风力或水力发电输出功率突然增加或减少时,如果没有有效的调节措施,系统频率会相应地升高或降低。例如,当风速突然增大,风力发电机输出功率增加,而此时系统负荷不变或增加幅度较小,多余的功率会使系统频率上升;反之,当风速骤减或水力发电出现故障导致功率下降时,系统频率会下降。频率波动会影响电力设备的正常运行,如电动机的转速会随频率变化而波动,影响工业生产的精度;同时,频率波动过大还可能导致系统失稳,引发停电事故。
通过控制蓄电池的充放电功率,可以有效平衡系统功率,抑制频率波动。在实际运行中,需要根据系统的频率变化和功率缺额情况,实时控制蓄电池的充放电。例如,当系统频率下降时,说明系统功率不足,此时控制蓄电池增加放电功率;当系统频率上升时,控制蓄电池增加充电功率或减少放电功率。
5.完整工程文件
v



![P8682 [蓝桥杯 2019 省 B] 等差数列](https://i-blog.csdnimg.cn/direct/7d64948ef0b54258a141f653f96c8725.png)















