文章目录
- 工具准备和介绍
- 硬件设备
- stm32简介和arm简介
- stm32简介
- STM32命名规则
- STM32选型
- STM32F103C8T6最小系统板
- 引脚定义
- STM32启动配置
- STM32最小系统电路
- ARM简介
- 软件安装
- 注册
- 器件支持包安装
- ST-LINK驱动安装
- USB转串口驱动
- 新建工程
- 创建stm32工程
- STM32工程编译和下载
- 型号分类及缩写,工程架构
工具准备和介绍
硬件设备
• STM32最小系统+面包板
• Windows10操作系统
• 万用表、示波器、镊子、剪刀等











stm32简介和arm简介
stm32简介
- STM32是ST公司基于ARM Cortex-M内核开发的32位微控制器
- STM32常应用在嵌入式领域,如智能车、无人机、机器人、无线通信、物联网、工业控制、娱乐电子产品等
- STM32功能强大、性能优异、片上资源丰富、功耗低,是一款经典的嵌入式微控制器
STM32是一系列由ST Microelectronics(意法半导体公司)推出的微控制器(MCU)。这些微控制器基于ARM Cortex-M架构,并且提供各种不同的封装和引脚配置。STM32系列中一些受欢迎的微控制器包括STM32F103,STM32F407和STM32F429。 STM32微控制器以其低功耗,高性能和广泛的功能而闻名。它们通常用于物联网设备,可穿戴技术和其他需要低功耗和高性能的应用。 总体而言,STM32微控制器是许多开发人员的首选,因为它们的多功能性,可靠性和广泛的功能。
ST:指意法半导体
M:指定微处理器MCU
32:表示计算机处理器位数
MCU:微控制器单元(MicroController Unit):是把中央处理器、存储器、定时/计数器(timer/counter)、各种输入输出接口等都集成在一块集成电路芯片上的微型计算机。
STM32的应用领域包括但不限于:
- 嵌入式领域:如智能车、无人机、机器人、无线通信、物联网、工业控制、娱乐电子产品、医疗设备、智能家居等。
- 高速数据采集系统:使用STM32连接高速ADC和FPGA芯片,实现对高速信号的采集和处理,例如高速摄像头、高速激光测距仪等。
- 自动驾驶控制系统:使用STM32连接多个传感器和执行器,例如摄像头、雷达、电机、电子罗盘等,并通过算法设计和优化,实现自动驾驶控制功能。
- 机器人视觉系统:使用STM32连接多个摄像头和处理模块,例如OpenCV、CUDA等,并通过算法设计和优化,实现机器人的视觉导航、物体识别等功能。
- 网络安全嵌入式设备:使用STM32连接加密模块和网络模块,实现网络安全通信和数据加密等功能,例如VPN、防火墙、数据加密存储等。
- 人工智能嵌入式设备:使用STM32连接AI模块,例如人脸识别、语音识别、自然语言处理等,并通过编程和训练,实现智能化的应用,例如智能门禁、智能家居等。
总的来说,STM32在各个领域都有广泛的应用。
STM32命名规则

STM32选型
CoreMark:跑分


STM32F103C8T6最小系统板

STM32硬件:STM32F103C8T6最小系统板


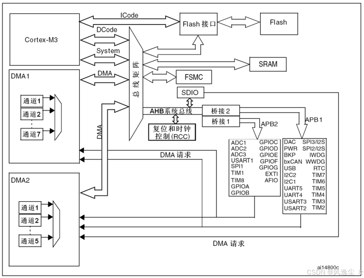
STM32系统架构
在小容量、中容量和 大容量产品中,主系统由以下部分构成:
● 四个驱动单元:
─ Cortex™-M3内核DCode总线(D-bus),和系统总线(S-bus)
─ 通用DMA1和通用DMA2
● 四个被动单元
─ 内部SRAM
─ 内部闪存存储器
─ FSMC
─ AHB到APB的桥(AHB2APBx),它连接所有的APB设备
这些都是通过一个多级的AHB总线构架相互连接的,如下图所示:

AHB:先进高性能总线
APB2一般和AHB同频率,都是72MHz,APB1一般36MHz
DMA相当于CPU(Cortex-M3)的秘书,可以搬运数据,而不需要cpu,节省cpu时间
引脚定义

红色:电源相关引脚
蓝色:最小系统相关引脚
绿色:IO口,功能口引脚

- I = 输入,O = 输出,S = 电源, HiZ = 高阻
- FT:容忍5V
- 可以使用的功能依选定的型号而定。对于具有较少外设模块的型号,始终是包含较小编号的功能模块。例如,某个型号只有1个SPI和2个USART时,它们即是SPI1和USART1及USART2。
- PC13,PC14和PC15引脚通过电源开关进行供电,而这个电源开关只能够吸收有限的电流(3mA)。因此这三个引脚作为输出引脚时有以下限制:在同一时间只有一个引脚能作为输出,作为输出脚时只能工作在2MHz模式下,最大驱动负载为30pF,并且不能作为电流源(如驱动LED)。
- 这些引脚在备份区域第一次上电时处于主功能状态下,之后即使复位,这些引脚的状态由备份区域寄存器控制(这些寄存器不会被主复位系统所复位)。 关于如何控制这些IO口的具体信息,请参考STM32F10xxx参考手册的电池备份区域和BKP寄存器的相关章节。
- 与LQFP64的封装不同,在TFBGA64封装上没有PC3,但提供了V REF+ 引脚。
- 此类复用功能能够由软件配置到其他引脚上(如果相应的封装型号有此引脚),详细信息请参考STM32F10xxx参考手册的复用功能I/O章节和调试设置章节。
- VFQFPN36封装的引脚2和引脚3、LQFP48和LQFP64封装的引脚5和引脚6、和TFBGA64封装的C1和C2,在芯片复位后默认配置为OSC_IN和OSC_OUT功能脚。软件可以重新设置这两个引脚为PD0和PD1功能。但对于LQFP100/BGA100封装,由于PD0和PD1为固有的功能引脚,因此没有必要再由软件进行重映像设置。更多详细信息请参考STM32F10xxx参考手册的复用功能I/O章节和调试设置章节。在输出模式下,PD0和PD1只能配置为50MHz输出模式。
STM32启动配置

STM32最小系统电路

ARM简介
- ARM既指ARM公司,也指ARM处理器内核
- ARM公司是全球领先的半导体知识产权(IP)提供商,全世界超过95%的智能手机和平板电脑都采用ARM架构
- ARM公司设计ARM内核,半导体厂商完善内核周边电路并生产芯片
ARM是什么
ARM既可以认为是一个公司的名字 ,也可以认为是对一类处理器的统称 ,还可以认为是一种技术的名字 。
ARM公司是专门从事基于RISC技术芯片设计开发 的公司,作为知识产权供应商,本身不直接从事芯片生产,而是转让设计许可 ,由合作公司生产各具特色的芯片。
ARM处理器的内核是统一的 ,由ARM公司提供,而片内部件则是多样的 ,由各大半导体公司设计,这使得ARM设计嵌入式系统的时候,可以基于同样的核心,使用不同的片内外设 ,从而具有很大的优势。
** ARM系列 **

A系列非常多,性能最高
R系列主要面向实时性高
M系列主要用于单片机
软件安装
MDK 源自德国的 KEIL 公司,是 RealView MDK 的简称。在全球 MDK 被超过 10 万的嵌入式开发工程师使用。目前最新版本为:
MDK6,该版本使用 uVision5 IDE 集成开发环境,是目前针对 ARM 处理器,尤其是 Cortex M 内核处理器的最佳开发工具。
MDK5 向后兼容 MDK4 和 MDK3 等,以前的项目同样可以在 MDK5 上进行开发(但是头文件方面得全部自己添加), MDK5 同时加强了针
对 Cortex-M 微控制器开发的支持,并且对传统的开发模式和界面进行升级,MDK5 由两个部分组成:MDK Core 和 Software Packs。其中,Software Packs 可以独立于工具链进行新芯片支持和中间库的升级。
安装MDK差不多就是一路Next(如果之前用过Keil5开发51单片机,可以直接选安装目录到原来的Keil5安装目录,例如Keil_v5文件夹,并且直接在keil5软件可以自由切换),要求填写信息就随便填一下,如下图所示,如果MDK和C51同安装目录,可以选Legacy Device切换为C51开发

下面直接看注册
注册
- 以管理员的方式运行keil软件
- 选择否即可

- 打开注册管理窗口(File -> License Management),并复制CID

- 打开注册机,执行如下几步。

- 将注册码添加到注册窗口中

器件支持包安装
双击Keil.STM32F1xx_DFP.2.2.0.pack,选择合适的安装位置,一路Next
在线安装器件支持包方式

网络较慢,漫长等待

然后点是
ST-LINK驱动安装
首先要把ST-LINK插到电脑上
默认STM32 STLink是没有驱动的(有个黄色感叹号),需要安装驱动

找到Keil安装目录下,安装64位驱动

一路安装即可
驱动安装好之后,上述黄色感叹号消失,表示安装成功
USB转串口驱动
首先要把 USB转串口插到电脑上
双击CH341SER.EXE(自己下载),点击安装


新建工程
目前STM32主要有基于寄存器,基于标准库(本课程),基于Hal库(图像化,快速上手)的三种开发方式
创建stm32工程

创建工程步骤
在建立工程之前,我们在电脑的某个目录下面建立一个文件夹,名字为
00_Template。

笔者目录为E:\Program Data\Keil\00_Template
在上述00_Template目录下创建一下四个目录

CORE 用来存放核心文件和启动文件,OBJ 是用来存放编译过程文件以及hex 文件,STM32F10x_FWLib 文件夹顾名思义用来存放 ST 官方提供的库函数源码文件。
点击 MDK 的菜单:Project –>New Uvision Project

将目录定位到刚才建立的文件夹00_Template 之下,然后定位到 USER 目录下面,我们的工程文件就都保存到 USER 文件夹下面。工程命名为Template,点击保存。

选择 CPU 的界面,就是选择我们的芯片型号。
STMicroelectronics→STM32F1 Series→STM32F103→STM32F103C8T6(如果使用的是其他系列的芯片,选择相应的型号就可以了)

一定要安装对应的器件 pack 才会显示这些内容哦!
MDK 会弹出 Manage Run-Time Environment 对话框, 点击取消即可。


将固件库目录下面的 src,inc 文件夹拷贝到我们刚才建立的 STM32F10x_FWLib 文件夹下面。

将固件库包里面相关的启动文件复制到我们的工程目录 CORE 之下。
STM32F10x_StdPeriph_Lib_V3.5.0\Libraries\CMSIS\CM3\CoreSupport 下面,将文件 core_cm3.c和文 件core_cm3.h 复 制到CORE 目录里面。
将里面 startup_stm32f10x_md.s 文件复制到 CORE 下面
定位到目录STM32F10x_StdPeriph_Lib_V3.5.0\Libraries\CMSIS\CM3\DeviceSupport\ST\STM32F10x\startup\a
rm 下面,将里面 startup_stm32f10x_md.s 文件复制到 CORE 下面。

将三个文件 stm32f10x.h,system_stm32f10x.c,system_stm32f10x.h,复制到我们的USER目录之下。
STM32F10x_StdPeriph_Lib_V3.5.0\Libraries\CMSIS\CM3\DeviceSupport\ST\STM32F10x 下面将里面的三个文件 stm32f10x.h,system_stm32f10x.c,system_stm32f10x.h,复制到我们的 USER目录之下。
将4个文件main.c,stm32f10x_conf.h,stm32f10x_it.c,stm32f10x_it.h 复制到 USER 目录下面。
然后将STM32F10x_StdPeriph_Lib_V3.5.0\Project\STM32F10x_StdPeriph_Template 下面的 4 个文件main.c,stm32f10x_conf.h,stm32f10x_it.c,stm32f10x_it.h 复制到 USER 目录下面。

将上述文件添加到我们的工程中去。右键点击 Target1,选择 Manage Project Items。

Project Targets一栏,我们将Target名字修改为Template,然后在Groups一栏删掉一个SourceGroup1,建立三个 Groups:USER,CORE,FWLIB。然后点击 OK。

右键点击点击Tempate,选择选择 Manage Project Itmes,然后选择需要添加文件的 Group,添加对应的文件。
我们选择 FWLIB, 然 后 点 击 右 边 的 Add Files, 定 位 到 我 们 刚 才 建 立 的 目 录,STM32F10x_FWLib/src 下面,将里面所有的文件选中(Ctrl+A),然后点击 Add,然后 Close。
CORE 下面需要添加的文件为 core_cm3.c,startup_stm32f10x_md.s ( 注意,默认添加的时候文件类型为.c, 也就是添加 startup_stm32f10x_md.s 启动文件的时候,你需要选择文件类型为 All files 才能看得到这个文件),USER 目录下面需要添加的文件为 main.c,stm32f10x_it.c,system_stm32f10x.c.这样我们需要添加的文件已经添加到我们的工程中了,最后点击 OK

选择编译中间文件编译后存放目录
在编译之前我们首先要选择编译中间文件编译后存放目录。方法是点击魔术棒,然后选择“Output”选项下面的“Select folder for objects…”,然后选择目录为我们上面新建的 OBJ 目录。这里大家注意,如果我们不设置 Output 路径,那么默认的编译中间文件存放目录就是 MDK 自动生成的 Objects 目录和 Listings 目录。

设置头文件目录
对于任何一个工程,我们都需要把工程中引用到的所有头文件的路径都包含到进来 。回到工程主菜单,点击魔术棒 ,出来一个菜单,然后点击 c/c++选项.然后点击Include Paths 右边的按钮。弹出一个添加 path 的对话框,然后我们将图上面的 3 个目录添加进去。记住,keil 只会在一级目录查找,所以如果你的目录下面还有子目录,记得 path一定要定位到最后一级子目录。然后点击 OK.

添加好目录之后的情形

添加宏定义
STM32F10X_MD,USE_STDPERIPH_DRIVER

将main.c复制改为以下代码
#include "stm32f10x.h"
void Delay(u32 count)
{
u32 i=0;
for(;i<count;i++);
}
int main(void)
{
GPIO_InitTypeDef GPIO_InitStructure;
RCC_APB2PeriphClockCmd(RCC_APB2Periph_GPIOB|
RCC_APB2Periph_GPIOE, ENABLE); //使能PB,PE端口时钟
GPIO_InitStructure.GPIO_Pin = GPIO_Pin_5; //LED0-->PB.5 端口配置
GPIO_InitStructure.GPIO_Mode = GPIO_Mode_Out_PP; //推挽输出
GPIO_InitStructure.GPIO_Speed = GPIO_Speed_50MHz; //IO口速度为50MHz
GPIO_Init(GPIOB, &GPIO_InitStructure); //初始化GPIOB.5
GPIO_SetBits(GPIOB,GPIO_Pin_5); //PB.5 输出高
GPIO_InitStructure.GPIO_Pin = GPIO_Pin_5; //LED1-->PE.5推挽输出
GPIO_Init(GPIOE, &GPIO_InitStructure); //初始化GPIO
GPIO_SetBits(GPIOE,GPIO_Pin_5); //PE.5 输出高
while(1)
{
GPIO_ResetBits(GPIOB,GPIO_Pin_5);
GPIO_SetBits(GPIOE,GPIO_Pin_5);
Delay(3000000);
GPIO_SetBits(GPIOB,GPIO_Pin_5);
GPIO_ResetBits(GPIOE,GPIO_Pin_5);
Delay(3000000);
}
}
配置让编译之后能够生成 hex 文件。
同样点击魔术棒,进入配置菜单,选择 Output。然后勾上下三个选项。 其中 Create HEX file 是编译生成 hex 文件,Browser Information 是可以查看变量和函数定义。

编译整个工程,如果没有任何报错,则整个工程已经创建好了。
STM32工程编译和下载
选择下载器位ST-Link Debugger




LED测试
main.c
#include "stm32f10x.h"
void led_init(void)
{
GPIO_InitTypeDef GPIO_InitStruct;
GPIO_InitStruct.GPIO_Pin = GPIO_Pin_13;
GPIO_InitStruct.GPIO_Speed = GPIO_Speed_10MHz;
GPIO_InitStruct.GPIO_Mode = GPIO_Mode_Out_PP;
//1. 使能时钟
RCC_APB2PeriphClockCmd(RCC_APB2Periph_GPIOC, ENABLE);
//2. 初始化GPIO
GPIO_Init(GPIOC, &GPIO_InitStruct);
//3. 设置灯灭
GPIO_SetBits(GPIOC, GPIO_Pin_13);
}
//低电平
void led_on(void)
{
GPIO_ResetBits(GPIOC, GPIO_Pin_13);
}
//高电平
void led_off(void)
{
GPIO_SetBits(GPIOC, GPIO_Pin_13);
}
void mydelay(int msec)
{
int i = 0;
int j = 0;
for (i = 0; i < msec; i++)
{
for (j = 0; j < 1000; j++)
{
/*do nothing*/;
}
}
}
int main(void)
{
//初始化
led_init();
while(1)
{
led_off();
mydelay(1500);
led_on();
mydelay(1500);
}
return 0;
}
下载之后,LED一闪一闪表示OK。
型号分类及缩写,工程架构



















