
型号

协议转换通信网关
EtherCAT 转 Modbus TCP
MS-GW15 概述
MS-GW15 是 EtherCAT 和 Modbus TCP 协议转换网关,为用户提供一种 PLC 扩展的集成解决方案,可以轻松容易将 Modbus TCP 网络接入 EtherCAT 网络 中,方便扩展,不受限制,用户可以快速组建自己的应用网络。Modbus TCP 接 口既可做服务器也可做客户端,作为客户端时,用户无需编程,在网关网页添加 轮询指令即可,最多可创建 4 个 Socket;EtherCAT 接口作为从站,支持掉线报 警,支持硬件看门狗,保证系统的稳定性。支持网页 WEB 设置和数据监控,具有在线可视化功能,用户无需编程和考虑技术实现的细节,快速实现协议网络的 扩展应用。
连接
使用 MS-GW15 协议转换网关时连接如下图所述。

技术规格
网关 MS-GW15

通信规格

STP=屏蔽双绞线电缆、UTP=非屏蔽双绞线电缆。
指示灯与按钮



动作指示灯
电源指示灯(PWR)
表示 MS-GW 网关是否处于通电中。

链路/活动指示灯(IN,OUT)
表示 MS-GW 网关的 EtherCAT 端口状态。

总线通信指示灯(BUS)
表示 MS-GW 网关在正常进行扩展总线通信。

模块状态指示灯(MS1)
表示 MS-GW 网关的 EtherCAT 是否正常动作。

网络状态指示灯(NS1)
表示 MS-GW 网关是否在正常进行 EtherCAT 通信。

模块状态指示灯(MS2)
表示 MS-GW 网关的 Modbus TCP 是否正常动作。

网络状态指示灯(NS2)
表示 MS-GW 网关是否在正常进行 Modbus TCP 通信。

链路/活动指示灯 1,2(PORT1,PORT2)
表示 MS-GW 网关的 Modbus TCP 端口状态。

网页连接指示灯(WEB)
表示 MS-GW 网关的网页连接状态。

出厂时 WEB 网口的固定 IP 是 192.168.1.8。
单元安装与维护
本节就各单元组装方法和 DIN 导轨等安装方法等进行了描述。
1、将各单元上侧 DIN 导轨安装用卡爪卡入 DIN 导轨的上侧的槽。
2、将 DIN 导轨的下侧嵌入各单元下侧的 DIN 导轨安装用卡爪。
下侧的黄色卡爪用弹簧动作。请按压后直到听到“咔”的一声。
难以安装的场所请先解除所有锁定,安装到 DIN 导轨之后再进行锁定。
3、请确认下侧的 DIN 导轨安装用卡爪处于按入状态(锁定状态)。
从 DIN 导轨拆卸
1、 将下侧的 DIN 导轨安装用卡爪向下侧拉出。
2、 按照和安装时相反的要领将 DIN 导轨从单元上拆下。
单元安装
请勿设置在如下所示的场所。

与周围的间隔
与设备的里壁或其它设备务必远离 30mm 以上进行安装。

注:周围温度(单元中央下部的温度)超过使用环境温度和周围的间隔以便改善通风等的方法降低温度。
配线时的注意事项
端子排技术规格

关于电缆
(1) 绞线、单线直接处理时
(a) 拧线时避免绞线末端露出“须线”。
(b) 电线的末端请勿焊接。
(2) 使用带绝缘套管的棒状端子时根据电线护套厚度的不同,可能会难以插入绝缘套管,因 此请参考外形图选用合适的电线。
接地时的注意事项
各设备请分別接地(接地施工为 D 类接地)。另外,此时的接地电阻控制在 100Ω 以下。无法分别接地时,也可采用共用接地。不过,此时的电线要全部采 用相同长度。接地时请使用 FG 端子。 (电源端子请勿接地)

连接到以太网
对于将 MS-GW 网关连接到以太网的步骤进行描述。
所用电缆
根据以太网的通信速度的不同,可用电缆也不同。屏蔽双绞线(以下称为 STP )电缆或非屏蔽双绞线(以下称为 UTP )电缆都可以使用。推荐使用 STP 电缆。
关于的 MS-GW 网关的以太网连接器
MS-GW 网关的以太网连接器,RJ-45 模块化连接器的信号分配如下所述。
注:安装、敷设电缆线时,可能会将电缆线弯曲使用。将电缆线呈锐角弯曲时,电缆内的芯线可能会断裂,或经过长年使用后可能会发生断线。因此在安装、敷设电缆时,对于这些应该多加注意。
将 MS-GW 网关连接到以太网
1、 关闭 MS-GW 网关的电源。
2、 将 STP/UTP 电缆的单侧的模块插口连接到使用的以太网交换机的端口。
请完全插入直到听到“咔”的一声。模块插口和连接器完成锁定。
3、 将 STP/UTP 电缆的另一侧的模块插口连接到 MS-GW 网关的连接器。
请完全插入直到听到“咔”的一声。模块插口和连接器完成锁定。

4、 将 MS-GW 网关的电源置于 ON,确认链路活动指示灯 PORT 是否呈绿色亮灯。
至亮灯为止可能需要花费 4~5 秒左右。
注:请将使用的 STP/UTP 电缆的长度控制在 100m 以下。
将 MS-GW 网关连接到以太网交换机时,请充分确认以太网交换机的连接器(端口)的状态后再进行连接。 以太网交换机有各种产品设计,比如有具备和 RJ-45 形状不同的连接器( AUI 连接器或 BNC 连接器等)的产品,还有具备以太网交换机相互连接时使用的连接器(以后称为级联端口)的产品等。
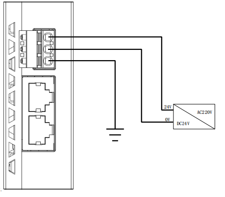
电源接线图
电源端子接线

网关 MS-GW15
产品功能
MS-GW15 是一款实现不同工业以太网网络设备互联的网关。该产品支持 Modbus TCP主站或从站,只支持 EtherCAT 从站,用于 Modbus TCP 网络和 EtherCAT 网络之间 的数据交换。支持倍福等 PLC 和 西门子/OMRON PLC 的互联,也支持将 Modbus TCP 设备连接到 EtherCAT 网络。
产品特点
双网段通讯能力:提供双以太网口,专为满足不同网段间数据传输需求而设计。
大容量数据处理:具备最大各 256 字节的输入输出能力,满足大多数应用场景,助 力用户处理更多关键业务数据。
实时网络监控:内置网络状态监视功能,实时监测 EtherCAT 或 Modbus TCP 端的设备连接状态,确保设备在线与数据传输的连续性。
灵活设备接入:Modbus TCP 端口配置灵活,支持更多设备接入,满足大规模系统集
成需求,提高设备间的互操作性。
技术指标
[1] 网口 10/100M 自适应,可靠的工业组网,突破空间限制,扩展增容极其简单方便;
[2] EtherCAT 网络与 Modbus TCP 网络相互独立,分别设置,互不影响,支持互转;
[3] Modbus TCP 端:具有 IP 地址冲突探测功能。
[4] Modbus TCP 端:支持字节交换功能:不交换、高低字节交换、四字节交换,支持服务器端口号设置,最多支持 4 个 Modbus TCP 设备连接,支持标准的MODBUS 功能码;最大支持 32 指令;
[5] 支持硬件看门狗,保证系统的稳定性;
[6] 支持任一浏览器网页式 WEB 设置,不需要额外下载软件;
[7] 标准导轨式安装,适配各种场景;
[8] 防护等级:IP20;
[9] 测试标准:符合 EMC 测试标准。
接口说明



![Java单列集合[Collection]](https://i-blog.csdnimg.cn/direct/67a170692dd241ca9f3e1056a2d8c6ca.png)

















