目录
1.开关时的DS损耗
2.导通损耗
3.截止损耗
4.驱动损耗
mos管的损耗主要有开关损耗和导通损耗两部分,开关损耗包括mos管开通是消耗的能量和在mos在线性区产生的损耗。导通损耗是由mos的导通电阻电阻消耗的能量。

mos的实际模型
我们先来感性的认识一下开关损耗。
由于mos寄生电容的存在,mos管的开通需要一定的时间,这段时间即为给寄生电容充电的时间。在充电的过程中因为米勒电容的存在,在t2-t4时间段VGS会保持不变,这段区域称为米勒平台。t0-t5为整个充电过程,电容充电必然会消耗能量。
Mos管开通时,VGS的电压上升需要时间,在这段时间内mos的会经历一个由关闭->线性区->饱和区的变化过程。当VGS的电压达到Vth时,mos进入线性区。此时,mos处于半导通状态,可以认为漏源极之间存在一个比较大的电阻RDS,在VDS的作用下,电阻RDS会产生能量消耗导致温度升高。Mos管关闭时同理。

1.开关时的DS损耗
功率的计算公式是P=UI。
如下图所示,开通阶段的VDS和ID是时间t的函数,我们无法直接计算,可以利用示波器抓取开关时刻的VDS电压和ID电流波形,通过math计算出瞬时功率曲线P(t)。对P(t)进行积分则得到开通时消耗的能量
开关频率越高,单位时间内开关的次数也就越多,损耗也就增加。假设开关频率为f,f即为每秒的开关次数。在开关频率为f时每秒的总开通损耗的能量。
因为是在单位时间消耗的能量,所以在这里能量和功率在数值上是相等的
同理可得关闭时的开关损耗
总的消耗功率为

在设计电路的初期,我们没办法获取真实的电压电流波形,可以通过下面的公式对开关损耗进行估算。
该公式的含义是:在工程计算中,我们通常假设 MOSFET 在开关期间电压和电流是线性变化的,则开通和关断能量可以近似计算为
注:开通和关断时间会在数据手册中给出,值得注意的是还有一个开通、关断延时时间。

实际计算中主要有两种假设
图 (A) 那种假设认为 VDS的开始下降与 ID的逐渐上升同时发生;
图 (B) 那种假设认为 VDS的下降是从 ID上升到最大值后才开始。

B类假设可作为最恶劣模式的计算值,我们上面讲的就是B类假设
2.导通损耗
导通损耗是在mos完全开通时的有RDS(on)消耗的能量,在mos导通后漏极电流ID乘以导通电阻RDS(on)
为占空比,T为PWM的周期,
即为导通的时间
3.截止损耗
在mos截止时,由于体二极管的存在,还是会有很小的电流从D极流向S极。这个电流称为漏电流IDSS
截止时的功率为
![]()
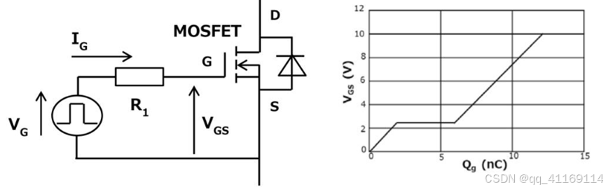
4.驱动损耗

栅极脉冲电压VG通过栅极电阻R1施加在MOSFET的栅极和源极之间。假设VGS从0V升至VG。VG足以让MOSFET导通。MOSFET初始状态是关断的,当VGS从0V变为VG时导通。在该瞬态开关周期期间流动的栅极电流计算为
VGS的表达式为
栅极电荷Qg可以通过对对电流积分得出
栅极驱动器提供的能量为:
Mos在开通期间获得的能量为
驱动电源提供的能量减去栅极中积累的能量就是被栅极电阻器消耗能量。在关断期间,栅极中积累的能量会被栅极电阻消耗掉。总的来说,栅极驱动器提供的能量在一个周期过后最终消耗在栅极电阻上。
每个开关周期消耗的能量E等于驱动电路提供的能量。可以通过E乘以开关频率fsw来计算栅极驱动电路的平均功耗:
TI的应用手册页给出了栅极损耗的计算方法,在做估算的时候应用下方公式即可。




















