
在电路设计过程中,当后级需要的电压比前级高出数倍而所需要的电流并不是很大时,就可以使用倍压整流电路。倍压整流:可以将较低的交流电压,用耐压较高的整流二极管和电容器,“整”出一个较高的直流电压。
01
倍压整流电路工作原理
倍压整流电路主要是利用二极管单向导通(相当于开关)的特性和电容两端电压不能突变且可以存储能量的特性,使得能量逐步往后级输送,同时线路上的电压也逐渐升高,所以就有了二倍压、三倍压、多倍压整流电路。但是由于倍压整流电路只是有二极管和电容组成,所以其只能用于低电流高电压的环境,不适合大电流和高电压的环境。
02
倍压整流电路分析
2.1、二倍压整流电路

一个简单的二倍压整流电路,其工作原理如下:
1.在U1负半周时,UAB=-U2,二极管D26导通,D25截止,给电容C82充电,充电完成后,UC82=UCA=U2;
2.U1从负半周变为正半周时,二极管D25导通,D26截止,此时C82和电源电压均向电容C85充电(电能从C82转移到C85),即UC85=UDB=2*U2;
3.U1再从正半周变为负半周时,二极管D26导通,C82被充电(补充电能),D25截止,电容C85上的电压不变,即UC85=UDB=2*U2;后面电路将一直循环第2步和第3步,从而也使输出电压稳定在2*U2。
1.其实C85的电压无法在一个半周期内即充至二倍压,它必须在几个周期后才逐渐趋向于二倍压,为方便电路分析,后面电路也假设在分析周期内便达到倍压电压。
2.如果倍压电路前级没有类似变压器的隔离电路,要注意其浪涌电流的防护,以保护电路中的二极管。
3.如果电路中连接有负载RL,在步骤3过程中电容上的电压会有所下降,然后在步骤2中再通过前级充电补充,所以电路中会形成一定的纹波。
2.2、三倍压整流电路

简单的三倍压整流电路,D24、D25、D26均为二极管(如1N4148),C82、C83、C85均为耐压值合适的电容,其工作原理如下:
1.在U1正半周时,UAB=U2,此时二极管D24导通,D26、D25均截止,给电容C83充电,充电完成后电容C83两端电压UC83=U2;
2.U1从正半周变为负半周时,UAB=-U2,且电容C83两端电压不能发生突变,UCA=2*U2,此时二极管D26、D25导通,D24截止,给电容C82、C85充电,充电完成后电容C82两端电压UDA=2*U2,C85两端电压UEB=U2;
3.U1再从负半周变为正半周,UAB=U2,同时遵循电容两端电压不能突变的原则,UDB=UDA+UAB=3*U2,所以D24、D25导通,D26截止,给电容C83、C85充电,充电完成后,C85两端电压UC85=3*U2,C83两端的电压为UC83=U2;
4.U1从正半周变为负半周时,UAB=-U2,此时将重复步骤2、3,一直向后级输送电能,最终输出电压也将维持在3*U2,所以该电路是一个三倍压电路。

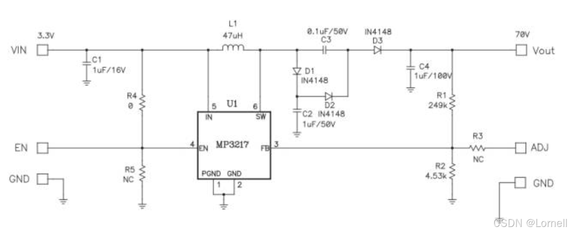
中MP3217是一个DC/DC的升压电源芯片,其最高输出电压为36V,而在其后加上一个三倍压电路,可将最高输出电压升高到108V,所以就可以输出需要的70V电压。DC/DC电源芯片是通过PWM控制MOS管的通断,所以SW引脚上的电压相当于是一个交流脉冲信号,倍压电路分析同2.1所述。
2.3、多倍压整流电路(一)

一个多倍压整流电路,电路工作原理与二倍压、三倍压电路相同,其分析方法也相同。
1.在U1负半周时,UAB=-U2,二极管D13导通,其余二极管均截止,电容C74被充电,充电完成后其两端电压UC74=UCA=U2;
2.U1从负半周变为正半周时,UAB=U2,且电容C74两端电压不能发生突变,UCB=2*U2,所以二极管D14导通,其余二极管均截止,电容C75被充电,充电完成后其两端电压UC75=UDB=2*U2;
3.U1再从正半周变为负半周时,UAB=-U2,同时遵循电容两端电压不能突变的原则,UDA=UDB+UBA=3*U2,所以D13、D15导通,其余二极管均截止,电容C74、C76被充电,充电完成后,C74两端电压UC74=U2,C76两端的电压为UC76=2*U2,UEA=3*U2;
4.U1再从负半周变为正半周时,UAB=U2,同时遵循电容两端电压不能突变的原则,UEB=4*U2,所以二极管D14、D16导通,其余二极管均截止,电容C75、C77被充电,充电完成后其两端电压UC75=2*U2,UC77=UFD=2*U2,UFB=4*U2;
5.U1再从正半周变为负半周时,UAB=-U2,同时遵循电容两端电压不能突变的原则,UFA=UFD+UDB+UBA=5*U2,所以D13、D15、D17导通,其余二极管均截止,电容C74、C78、C79被充电,充电完成后,C78两端电压UC78=2*U2,所以UGA=5*U2,即最终该电路为一个五倍压电路;
6.在后续交流电压周期变化中,不断向后级电路提供电能,最后输出电压也被稳定。
2.4、多倍压整流电路(二)

一种结构的六倍压整流电路,电路工作原理与分析方法和上述电路类似,读者可自行分析;此处应注意如图5所示情况最终整流电压B点将为输出电压的正极,若取上面的电容(如C76、C78)作为最后的输出电容,则A点将为输出电压的正极。
2.5、多倍压整流电路(三)

另一种结构的六倍压整流电路,电路分析同上。
多倍压整流电路一的优点是每个电容上的电压不会超过变压器次级峰值电压的两倍(2*U2),即可以选用耐压值较低的电容;缺点是电容是串联放电,纹波较大。
多倍压整流电路二的优点是纹波较小;缺点是对电容的耐压要求高,随着倍压的增高,电容的电压应力也随之增加。
多倍压整流电路三的优点是纹波比电路一要小很多,且电容电压应力也不超过2*U2;缺点是电路较复杂。
03
倍压电路分析设计说明
1.在电路设计过程中,电容选型时需注意其耐压值。
2.倍压电路前级交流信号,可以是正弦波信号,也可以是开关脉冲信号(如DC/DC电源)。
3.当考虑电路中二极管的压降时,倍压数量越多,前级导通电压应该越高,否则达不到二极管导通的要求,电能无法向后级传输,也就达不到倍压的作用。



















