1,来源:深圳市世微半导体有限公司
2,产品描述
AP5218 是一款 PWM工作模式, 高效率、外 围简单、内置功率管,适用于5V~100V输入的高 精度降压 LED 恒流驱动芯片。输出最大功率可达 15W,最大电流 1.5A。AP5218 可实现全亮/半亮功能切换,通过 MODE 切换:全亮/半亮 模式。AP5218 工作频率固定在 130KHZ ,同时内置 抖频电路,可以降低对其他设备的 EMI 干扰。另外采 用平均电流采样模式,可以提高宽输入电压情况下的 电流精度。 AP5218 带有输出短路保护功能,5V~100V输 入条件下,短时短路不会损坏电源器件。
3,产品特别
内部集成 100V 功率管
宽输入电压范围:5V~100V
固定工作频率:130KHZ
可设定电流范围:10mA~1500mA
平均电流模式采样,恒流精度更高
0-100%占空比控制,无电流节点跳变
输出短路保护
过温保护
功能模式:全亮/半亮
ESOP8 封装
4,应用领域
电动车,摩托车灯照明
汽车灯照明
手电筒
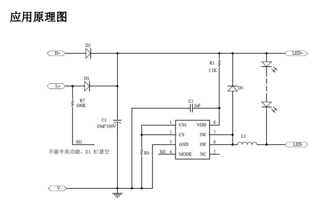
5,产品应用原理图

6,产品应用线路图




















